Product List
CONTACT US
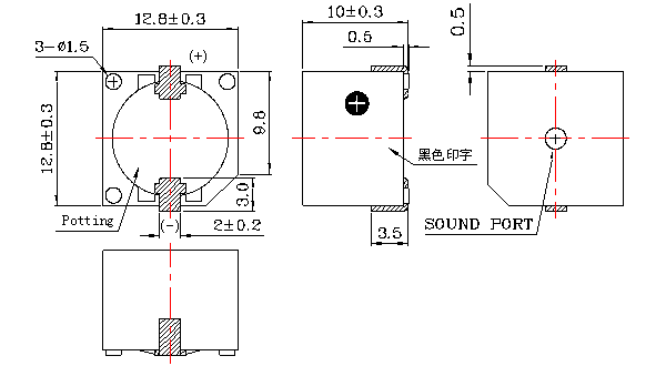
DX1313100(Self Drive).pdf DOWNLOAD


| Model | DX1313100(Self Drive) |
| Rated Voltage | 5 V |
| Operating Voltage | 3-7 V |
| Sound Output at 10cm (dB) | 85 dB |
| Current consumption | 30 mA |
| Operating Temperature (℃) | -20~+70 ℃ |
| Storage Temperature (℃) | -30~+80 ℃ |
About Us
E-Sound Electronics Co., Ltd. was first founded in 1989 and became a high-tech company in 1994. Combining R&D and production, E-Sound is specialized in innovation of technology and service in electro-acoustic field. |
