Product List
CONTACT US


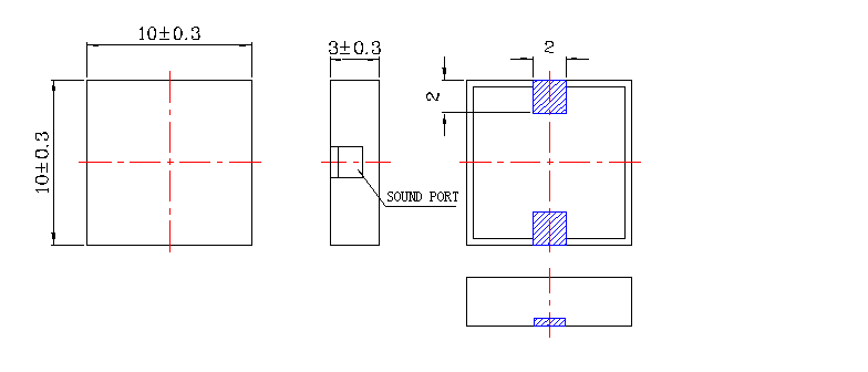
| Model | DXP1010030 |
| Rated Voltage | 3 V |
| Operating Voltage | 1-30 V |
| Sound Output at 10cm (dB) | 70 dB |
| Current consumption | 3 mA |
| Operating Temperature (℃) | -20~+70 ℃ |
| Storage Temperature (℃) | -40~+85 ℃ |
DXP1010030.pdf DOWNLOAD
About Us
E-Sound Electronics Co., Ltd. was first founded in 1989 and became a high-tech company in 1994. Combining R&D and production, E-Sound is specialized in innovation of technology and service in electro-acoustic field. |
