Product List
CONTACT US
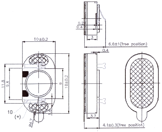
DXP1810N-B-S.pdf DOWNLOAD


| Model | DXP1810N-B-S |
| Rated Impedance | 8 ohm |
| Rated Power | 0.5w |
| Max Power | 0.8 w |
| Resonance Frequency(Fo) | 1000 HZ |
| Rated Freq. Range | Fo-10K Hz |
| Sound Pressure Level | 89±3dB/0.1W/0.1 |
| Magnet | NdFeB |
About Us
E-Sound Electronics Co., Ltd. was first founded in 1989 and became a high-tech company in 1994. Combining R&D and production, E-Sound is specialized in innovation of technology and service in electro-acoustic field. |
