Product List
CONTACT US
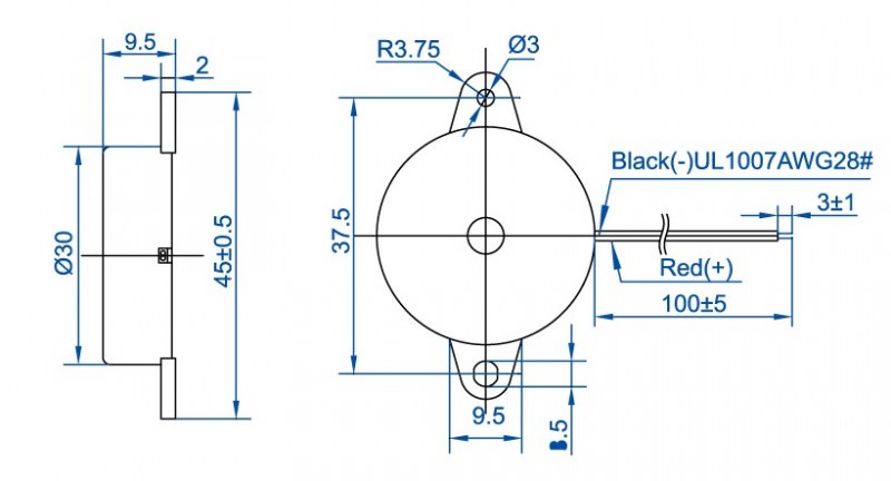
DXP30095W(SelfDrive).pdf DOWNLOAD


| Model | DXP30095W(Self Drive) |
| Rated Voltage | 12 V |
| Operating Voltage | 3-20 V |
| Sound Output at 10cm (dB) | 90 dB |
| Current consumption | 15 mA |
| Operating Temperature (℃) | -20~+70 ℃ |
| Storage Temperature (℃) | -30~+70 ℃ |
About Us
E-Sound Electronics Co., Ltd. was first founded in 1989 and became a high-tech company in 1994. Combining R&D and production, E-Sound is specialized in innovation of technology and service in electro-acoustic field. |
