Product List
CONTACT US
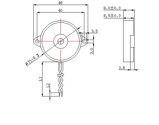
DXP35090W.pdf DOWNLOAD


| Model | DXP35090W |
| Rated Voltage | 10 V |
| Operating Voltage | 1-25 V |
| Sound Output at 10cm (dB) | 85 dB |
| Current consumption | 5 mA |
| Operating Temperature (℃) | -20~+60 ℃ |
| Storage Temperature (℃) | -30~+70 ℃ |
| Tone | Continuous |
About Us
E-Sound Electronics Co., Ltd. was first founded in 1989 and became a high-tech company in 1994. Combining R&D and production, E-Sound is specialized in innovation of technology and service in electro-acoustic field. |
